For added security or a sleek enclosure design, Concealed Hinges offer the solution with mounting discreetly hidden away from view, to avoid tampering.






Door Removal or Lift-off Hinges simplify removal of covers and panels, to ease access for maintenance and repair. Available in a selection of materials.




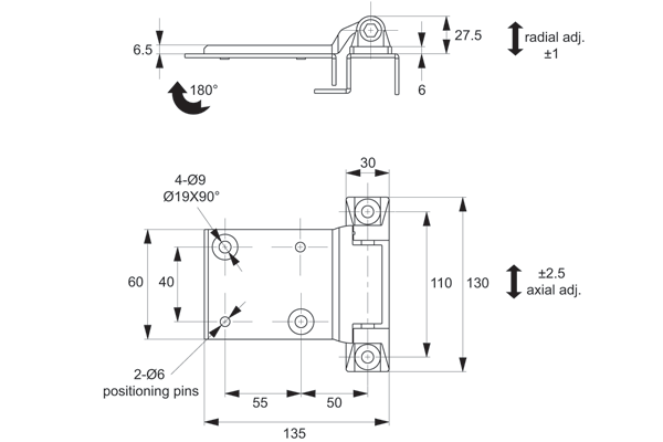
Torque and Positioning Hinges offer positive location of panels, screens and displays, using constant friction for a firm hold.






Wixroyd Concealed Hinges can be mounted in a variety of ways, using additional nuts and bolts.

Important Note: Refer to individual product pages for suitable mounting options. If you have any problems, please contact our Technical Sales Team.
In the example, mounting option b , a nut with a countersunk screw is used to mount the hinge onto the enclosure body.

Wixroyd have a diverse range of Hinges to suit most industrial applications in a wide range of materials and finishes.
Throughout our catalogue, we refer to parts as being of a "Left" or "Right" type or hand. Which type you need, is most easily explained as follows:
Orientate your application so that when opening the door/panel, it comes towards you. With this orientation in mind, look to see on which side of the door/panel the Hinges are mounted?
If the hinges are on the left side of the door/panel then you require "Left" type products. If the Hinges are on the right side of the door/panel, then you require "Right" type products.
The illustration on the right clearly indicates the layout and orientation of the door where a "left" or "right" product is used.

Left Hand Door (Hinges on left hand side).

Right Hand Door (Hinges on right hand side).
External or Surface Mount Hinges have a wide range of application on electrical panels, sheet metal enclosures, generators and heating & venting applications.

Surface Mount Hinges


Corner Hinges


Flush Mount Hinges

The gap between the Hinge wings when fully closed is 4mm.
It is approximately 2/3rds the total Torque rating. For example, a 4Nm model would have a limit of 2.6Nm at the end of the rotation
Company registration no: 00496138
Company VAT number GB 408154022
Alexia House, Glenmore Business Park
PO19 7BJ Chichester
United Kingdom
0333 207 4497
sales@wixroyd.com























































































































