| Price & Availability | Article | Body finish | Key type | d1 | h1 | lh | ||||||||||||||||||
| A2203.HW0010 | Chrome | Keyed Alike | 30.5 | 23.6 | 18 | |||||||||||||||||||
£ 10.31 per unit (click for quantity discounts) Ready to despatch 0 Need more? Please call us.
Body finish Chrome Key type Keyed Alike d1 30.5 h1 23.6 lh 18 | ||||||||||||||||||||||||
| A2203.HW0310 | Black Coated | Keyed Alike | 30.5 | 23.6 | 18 | |||||||||||||||||||
£ 10.31 per unit (click for quantity discounts) Ready to despatch 0 Need more? Please call us.
Body finish Black Coated Key type Keyed Alike d1 30.5 h1 23.6 lh 18 | ||||||||||||||||||||||||
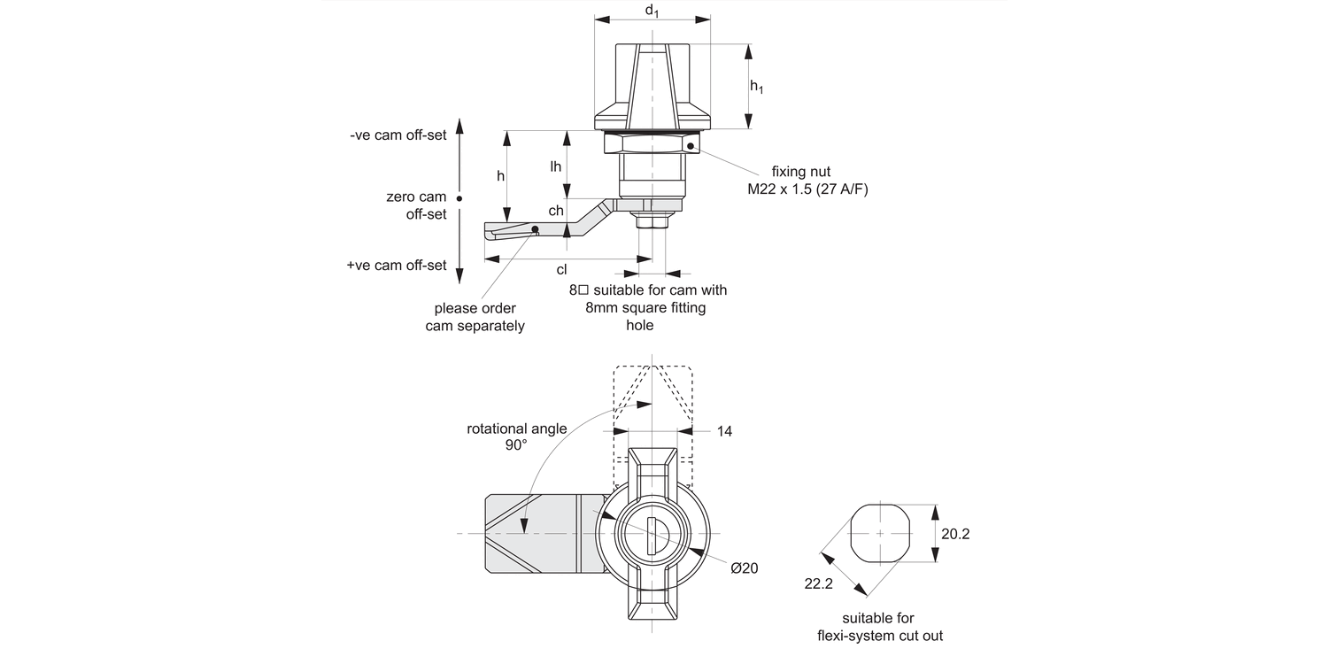
Body & insert: die cast zinc, finished in chrome plate or black powder coating. Fitted with O'ring to provide IP54 rating.
Cylinder lock: die cast zinc, chrome plated. With dust cap to prevent material ingress.
Supplied with: Keys: two per lock.
Not supplied: CAM - order separately.
Order cam separately.
Cams: see suitable cam A0203, A0224 and A0240. Select "without projection" cam type.
Dimensions ch and cl relate to cam. Use formula to calculate ch (required cam off-set), and refer to cam selection chart;
ch = h - lh where;
ch = required cam off-set/height.
h = grip length (distance between inside of latch face and front of cam).
lh = body length of cam latch/lock to be used (see product table below).
Rods & Guides: to achieve 3-point latching - A0303, A0321, A0325.
Quarter turn opening or closing.
Wings act as actuation handle.
Universal left and right.
Sold subject to pack quantity.
Company registration no: 00496138
Company VAT number GB 408154022
Alexia House, Glenmore Business Park
PO19 7BJ Chichester
United Kingdom
0333 207 4497
sales@wixroyd.com


























































































































